相关网站
语言



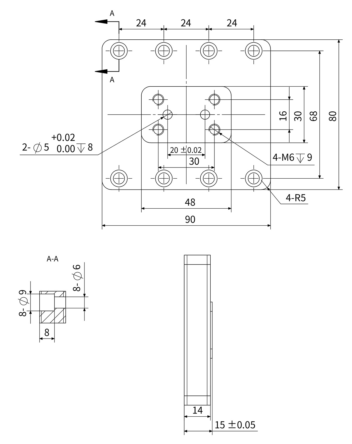
| 产品型号 | KWT1L90 |
| 额定量程 | 0.05/0.1/0.2 kN |
| 灵敏度 | 1 mV/V |
| 激励电压 | 5 ~ 12 V |
| 非线性 | ≤0.1% F.S. |
| 滞后 | ≤0.1% F.S. |
| 重复性 | ≤0.1% F.S. |
| 工作温度范围 | -10 ~ +80 ℃ |
| 补偿温度范围 | 20 ~ +60 ℃ |
| 安全过载 | 150% F.S. |
| 极限过载 | 200% F.S. |
| 线缆规格 | - |
| 输出信号 | 模拟信号 |
| 防护等级 | IP68 |

截屏,识别二维码
微信二维码
(点击复制 微信二维码)
截屏,识别二维码
抖音二维码
(点击复制 抖音二维码)
截屏,识别二维码
微博二维码
(点击复制 微博二维码)
截屏,识别二维码
手机二维码
(点击复制手机二维码)