开云体育·开云官方网站

语言
当前位置:开云体育·开云官方网站 > 开云体育·开云官方网站-开云体育(中国) > 扭矩传感器 > 关节扭矩传感器

扭矩传感器 > 关节扭矩传感器

关节扭矩传感器

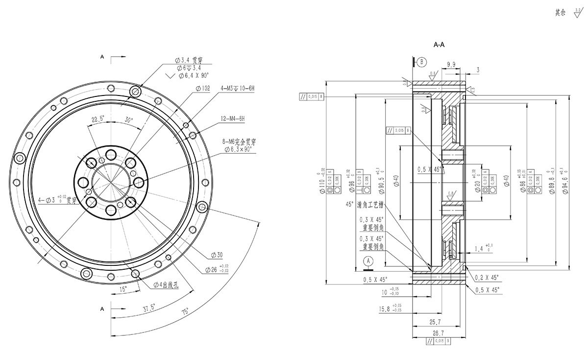
KWR110N200

产品介绍
适用于大多数测试环境和工业用途、机械臂关节底座、机器人关节等。
产品规格
产品型号 KWR110N200
额定量程 200 N·m
信号输出 485通信
供电电压 9 ~ 24 VDC
非线性 ≤1.0% F.S.
滞后 ≤1.0% F.S.
工作温度范围 -20 ~ +100 ℃
安全过载 200% F.S.
极限过载 300% F.S.
侧向极限弯矩 250 N·m
轴向极限载荷 11.5 kN
侧向极限载荷 19 kN
扭转角度(计算) 0.025°
扭转刚度 460.5 kN·m/rad
防护等级 IP67
产品重量 0.86 kg
产品安装尺寸图
产品证书
X

截屏,识别二维码

微信二维码

(点击复制 微信二维码)

微信二维码已复制,请打开相关访问!
X

截屏,识别二维码

抖音二维码

(点击复制 抖音二维码)

抖音二维码已复制,请打开相关访问!
X

截屏,识别二维码

微博二维码

(点击复制 微博二维码)

微博二维码已复制,请打开相关访问!
Copyright 2025 开云体育·开云官方网站-开云体育(中国) 版权声明
技术支持:
Copyright 2025 坤维传感
X

截屏,识别二维码

手机二维码

(点击复制手机二维码)

二维码已复制,请打开相关访问!